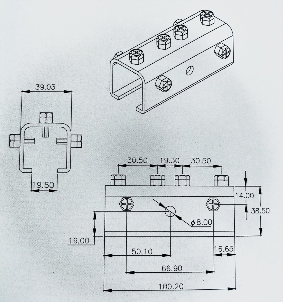
首頁 » 產品介紹 » 電動吊車配件類 » C型軌與相關配件 » 接頭 接頭 規格 品號 重量 H-C04 0.32 kg H-CS04 不鏽鋼 0.32 kg H-C404 0.76 kg H-CS404 不鏽鋼 0.76 kg 相關產品 夾片 鋼管滑輪/扁電纜 工字型滑車/扁電纜 末端夾線器 末端蓋 撥桿滑輪