首頁
關於我們
最新消息
工程實績
鋁合金輕型軌道工程
懸臂工程
雙A架/龍門吊架(可製作無塵室用)
懸吊式大車工程
鋼製輕型軌工程
本公司近期安裝的貨梯工程,如有需求歡迎來電洽詢
國內手工具原料大廠『誠聚金屬股份有限公司』之工程甫於3月底完成,整廠省力化吊掛設備規劃及安裝,增加工作效率並降低職業傷害。
大型展覽
2024台中工具機展
2023台中工具機展
相關報導
TIMTOS 2023 展覽專刊 輕型軌道搬運系統報導
業碩供應搬運設備 解決人力問題
感謝經濟日報108年3月4日及7日的專業報導
榮獲之獎項
2020台灣金玉獎創新成就優等獎
本公司暨2017年後,於2019年再次榮獲『台灣優良商標獎』整合設計優等獎,再次對本公司肯定與支持!
感謝經濟日報對本公司榮獲國家品牌玉山獎的報導
本公司於2017年首次榮獲『台灣優良商標獎』五金類佳作,感謝評委對本公司的肯定!
公益活動
業碩總座薛英政 號召挽袖解血荒
捐贈甘霖基金會樂多家園清潔物資
產品介紹
輕型軌道系列產品
鋁合金軌道產品
鋁合金軌道/鋁製輕型軌道
鋁合金軌道小車
鋁合金軌道吊掛配件
鋼製輕型軌道系統
輕型軌及配件
鋼製輕型軌道
適用輕型軌吊車(推薦款)
鈎上手控電動吊車(三相220V)
調整型單相電動鍊條吊車
日本原裝進口迷你型電動鍊條吊車-單相用電
無塵室專用吊車
迷你型電動鍊條吊車CF-225
電動鏈條吊車-BLFD系列
電動吊車類
電動鍊條吊車
永昇牌電動鍊條吊車
電動鍊條吊車
小車
30T (12 掛)
20T (8 掛)
15T (6 掛)
10T (4 掛)
7.5T (3 掛)
5T (2 掛)
2.8T, 3T (3 掛)
2.8T,3T (2 掛)
2.5T (1 掛)
2T (2 掛)
標準型吊車(YSE)
0.5T/1T (1 掛)
2T (1 掛)
電動鍊條吊車-NHD系列
電動鏈條吊車-NHD系列
電動鏈條吊車-低舉型系列
電動鏈條吊車-低舉型系列
電動鏈條吊車-BLFD系列
電動鏈條吊車-BLFD系列
風力發電維修吊機
風力發電維修吊機
Chi Yeah 電動鍊條吊車
舞台用電動鍊條吊車
舞台用電動鍊條吊車
單相電動鍊條吊車
碳刷馬達鍊條吊車CHL系列(110V)
CLW系列(帶無線遙控器)
CHW系列(帶無線遙控器)
碳刷馬達鍊條吊車CL-1000.CL-2000
碳刷馬達鍊條吊車CH-300.CH-500.CH-1000
迷你型電動鍊條吊車CF-225
三相電動鍊條吊車
CX+電動滑車
(強力型)電動鍊條吊車 CX系列
CW+電動滑車
(標準型)電動鍊條吊車 CW系列
日立牌電動鍊條吊車
日立牌電動鍊條吊車
電動鋼索吊車
永昇牌電動鋼索吊車
亞規電動鋼索吊車(AC剎車)
小車式 TB 系列
小車式 TP.TK.TG 系列
座式 FP.FK.FG.FB 系列
台車式 SFA 系列
台車式 SK.SG 系列
台車式 SB.SCA.SDA.SEA 系列
亞規電動鋼索吊車(DC剎車)
⼩⾞式TB系列
⼩⾞式TP.TK.TG 系列
台⾞式SFA系列
台⾞式SK.SG系列
台⾞式SB.SCA.SDA.SEA系列
美規電動鋼索吊車
SU (AC-剎車)
SU (DC-剎車)
FU (AC-剎車)
FU(DC-剎車)
TU (DC-剎車)
開放型吊機
開放型吊機
經濟開放型吊機
經濟開放型吊機
永磁鋼索吊車
台車式(ED/EF)
台車式(EB/EC)
小車式(EB/EC)
日立牌電動鋼索吊車
日立牌電動鋼索吊車
電動單軌小車
永昇牌電動單軌小車
永昇牌單軌電動小車
業碩牌電動單軌小車
業碩牌電動單軌小車
電動雙軌台車
業碩牌電動雙軌台車
永昇牌雙軌電動台車
電動南北大車
業碩牌電動南北大車
永昇牌電動南北大車
滑車
鍊條式滑車/齒輪式滑車(雙軸心型)
手推式滑車(雙軸心型)
電動吊車配件類
吊車用鏈條
開關
HOB直接式線控開關系列
HOB間接式線控開關系列
安全電軌
電軌
W型電軌
六合一電軌(6P)
四合一電軌(4P)
三合一電軌(3P)
電軌配件
電軌夾固定鐵片
接線盒
電軌夾
N棒
集電架
碳刷片
末端拉線器
C型軌與相關配件
鋼管滑輪/扁電纜
工字型滑車/扁電纜
W型吊輪(工字鋼)/圓電纜
鋼索圓電纜滑輪
快速連結器滑車
末端夾線器
夾片
末端蓋
撥桿滑輪
滑輪
接頭
夾頭
C型軌
電纜線
複合式電纜線
一般電纜線
工業控制
F21系列
F21
A系列
A系列
K系列
電控箱及插頭
貨用升降機及配件類
永昇牌座式鋼索吊車
座式FP.FK.FG.FB 系列
順展牌貨用鋼索吊車
捲筒式電梯主機
升降機用鋼軌及配件
W型導軌器
城型導軌器
塑鋼片
迷你固定型導軌器
油壺片
油壺
導軌器
導軌固定夾
避震器
緩衝彈簧
導軌防落器
貨用升降機配電盤
工程類
懸臂工程
一般型天車工程
輕型軌道工程
鋼製輕型軌道
貨用升降機工程
保養維修及荷重試驗
吊貨捲揚機
單層鋼索吊貨捲揚機
單層鋼索吊貨捲揚機(雙出線)
小金剛
SK系列
輕巧型吊掛式捲揚機(小金剛)(亞規版)
KIO系列
輕巧型吊掛式捲揚機(大金剛)
電動吊貨捲揚機
CK系列
碳刷馬達吊貨捲揚機CK500
碳刷馬達吊貨捲揚機
GG系列
電動吊貨捲揚機GG-1000/1100/2000/3500/5000/10000
電動吊貨捲揚機
電動吊貨捲揚機GG-501,GG-503,GG-800
電動吊貨捲揚機GG-500,GG-500L,GG-500BL
電動吊貨捲揚機
GS系列(電磁式)
電動吊貨捲揚機(電磁式)
GH系列(快速型)
電動吊貨捲揚機(快速型)
電動拉線機
雙軸式雙速電動拉線機
各式吊架
龍門吊架/雙A架
捲揚機吊架
手動吊車類
永昇黑熊牌系列
鏈動小車
滑動小車/手推滑車
手扳鏈條吊車系列(手搖吊車)
手拉鍊條吊車系列
日本V-ACE系列
V-ACE手搖吊車
V-ACE手拉吊車
MICKNOON系列
MICKNOON手搖吊車
MICKNOON手拉吊車
搬運設備類
油壓拖板車
WRA系列手動油壓拖板車
手動油壓拖板車系列
油壓升降台車
TFD雙叉臂 TG加大型油壓升降台車
WTF-A系列腳踏式油壓升降台車
堆高機
輕便型油壓搬運車
WRSD手動液壓堆高車
手搖輕型堆高機
搬運小坦克
一般型搬運小坦克
德式可轉向搬運小坦克
油壓千斤頂
其他周邊設備
吊掛器具類
三角吊輪
雙溝吊輪
單溝吊輪
永久磁性吊盤
吊鉤鍊.鍊條
油桶簡易吊具
鋼圈-鍊接.鈎頭
鋼索及索具
各式型鋼及鋼板吊具
尼龍吊帶
安全配件類
安全網
尼龍(NYLON)
塑膠(HDPE)
覆網
安全帶
貨物綑綁帶,安全吊帶,緊扣帶,保護套
扁織帶/三股繩+大掛鉤
背負式安全帶專用腰帶
繫身型腰帶
背負式安全帶
桿上安全帶
高空防墜器
垂直防墜器
水平織帶式防墜器組
防墜器吊掛工具
高空防墜器
安全母索及周邊
掛鉤,O型環
閉鎖式防墜器/伸縮調節器
垂直防墜器(開合式)
D環+三股繩+大掛勾/小掛勾
緩衝包(短)(長)
一線雙大鉤
緩衝包+扁織帶/雙扁織帶+大掛鉤
垂直防墜器母繩
其他產品
保護電纜鍊條
組合式保護電纜鍊條
組合式保護電纜鍊條-輕型系列
組合式保護電纜鍊條-中型系列
組合式保護電纜鍊條-重型系列
砝碼
鑄鐵砝碼
電子型錄
型錄
聯絡我們
常見問題
首頁
»
產品介紹
»
電動吊車類
»
電動鋼索吊車
»
日立牌電動鋼索吊車
»
日立牌電動鋼索吊車
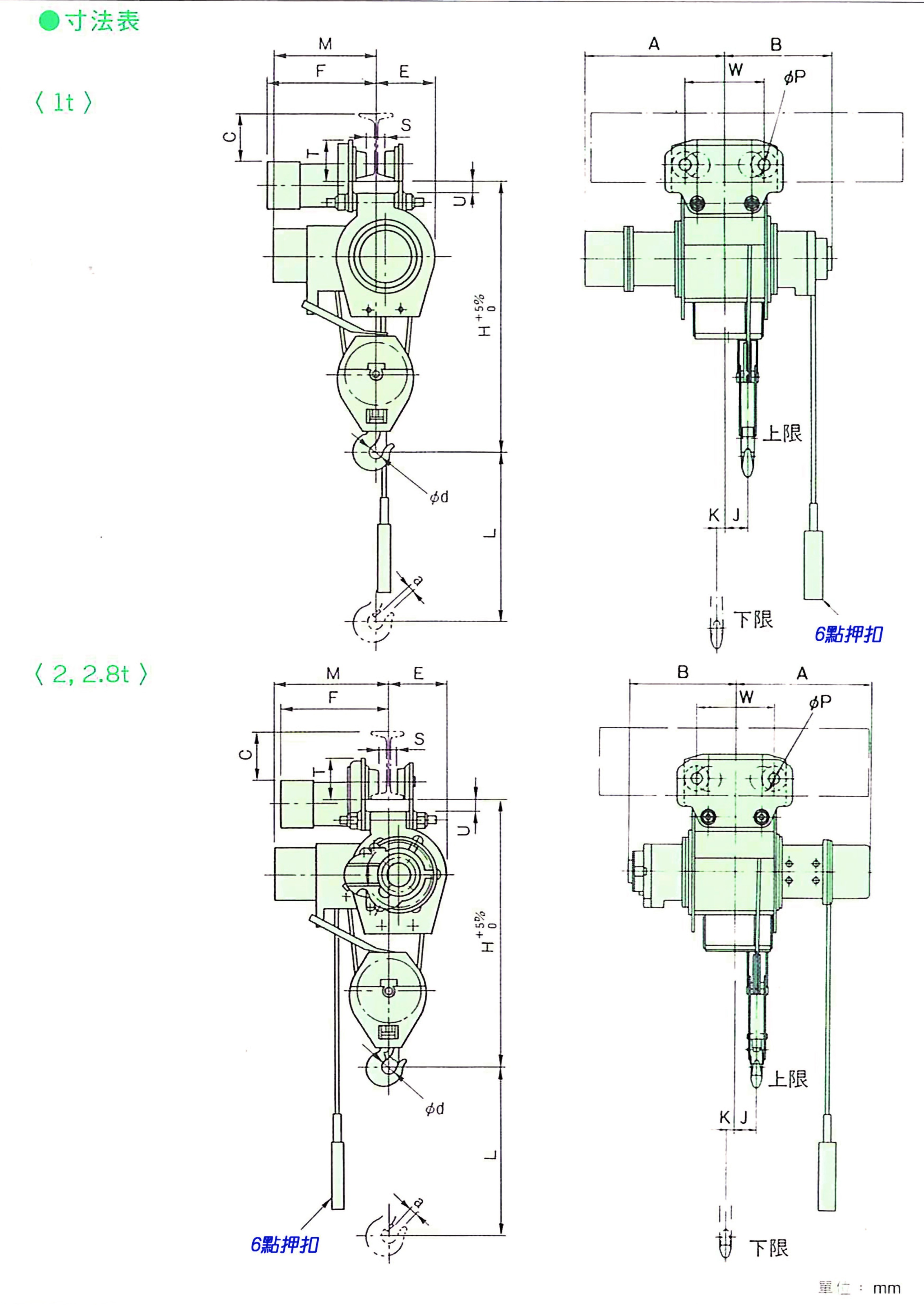
日立牌電動鋼索吊車
產品敘述
規格
相關產品