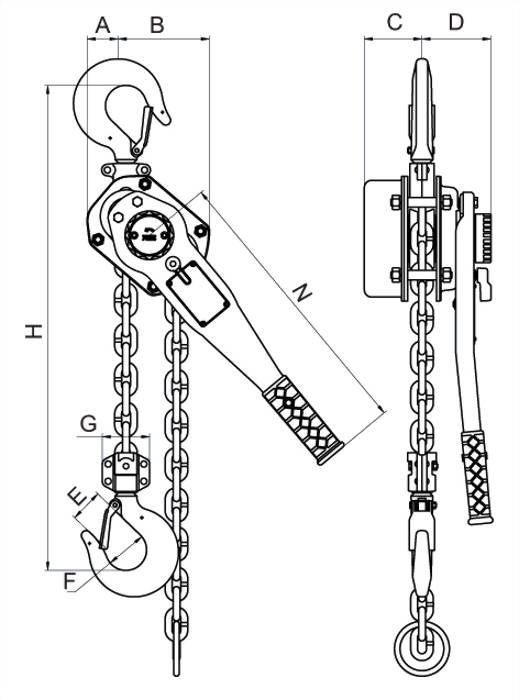
手扳鏈條吊車系列(手搖吊車)
1.鋼結構成型體
齒輪與手鏈輪均以油壓成型之外殼覆蓋,外型美觀、堅硬,可承受外部之衝擊。
2.金屬軸襯
金屬軸襯表面硬化處理,並經過研磨加工,用以提升機械效率及減緩手扳拉力強度。
3.荷重鏈
使用等級80之合金鋼荷重鏈,載重鏈均符合“ISO”或“DIN”標準。
4.限位環
當載重物下降時,作為停止極限,以阻止由於過低而發生的事故。
5.載重鏈導板
確保載重鏈之行駛方向適合與導向槽。
6.手輪
將變向開關置於FREE位置時,旋轉手輪,可以快速調整載重鏈條的有效長度。
7.剎車機構
構無論貨物輕或重,當操作停止時,剎車工作不間斷,材料可保持長期使用。
8.雙棘爪
雙棘爪應用於外部安全,即使其中之一脫落,另一個仍可束縛載物。
9.上下吊鉤
鉤均經過熱鍛造、熱處理;且可以旋轉,有標準配備,以安全確保吊載重物及鉤索。
- 全新內藏式過載保護裝置,不受外界環境影響。
- 有效可靠,過載作動時,可藉由減輕至低於額定荷重來自動恢復,不需重新調整。
- 合金材料製造,且經表面硬化處理,使其壽命延長。
- 選配品,不需修改吊車結構即可安裝。
- 建議使用於經常發生過載環境,確保操作安全。
- 使用過載保護裝置,確保使用壽命。





